* Photo Attachment Required Send Vehicle Photo ( .jpg, .gif, .tif, .png) : * (If you don't have a picture of the exact vehicle, just do a Google search & attach something similar)
Comments :
Mechanical Design
*Motor Shaft Type Needed(choose option below for examples):
Straight Output Shaft
Splined Output Shaft
Other
Information Required
A :
B :
key :
Information Required
A :
B :
C :
# teeth :
*Drive System Details : What differential/transmission or belt/chain drive system does (or will) the vehicle have?
Describe the mechanical design. We have thousands of various motor options and first need to narrow down which ones will fit your design.
*Differential/Transmission or Belt/Chain Gear Ratio:
(Ex. 12:1)
Comments :
Current Motor
*Does you project currently have a motor?(choose option below):
Yes
No
* Information Required
Motor (Make, Part Number):
Motor Label Photo ( .jpg, .gif, .tif, .png):
Overall Motor Photo ( .jpg, .gif, .tif, .png):
Performance Requirements
H.P. :
RPM :
*Max. Vehicle No Load Speed (on level ground):
*Max. Vehicle Full Load Speed (on level ground):
*Max Vehicle Incline:
% Grade
*What vehicle range or application duration are you hoping to achieve?
(Ex. Miles, Mins., Hours?)
Comments :
Electrical Requirements
Controller Make, Model and Amperage:
Max Amps :
*System Voltage:
*Battery (Pack)Type:
(Ex. Lead Acid-Flooded, Qty: 12 x 8 volts, US Battery)
A duty cycle is the percentage of a period of time in which a signal or system is active. A "period" is the time it takes for a signal to complete an on-and-off cycle. As a formula, a duty cycle may be expressed as:
D = T/P x 100%
Where D is the duty cycle, T is the time the signal is active, and P is the total period of the signal. Thus, a 60% duty cycle means the signal is on 60% of the time but off 40% of the time. The "on time" for a 60% duty cycle could be a fraction of a second, a day, or even a week, depending on the length of the period.
To assist in the communication of this information, the standard IEC 60034-1 (Rotating electrical machines) defines several duty characteristics, denoted S1 to S8 below:
S1
Continuous duty
The motor works at a constant load for enough time to reach temperature equilibrium.
S2
Short-time duty
The motor works at a constant load, but not long enough to reach temperature equilibrium. The rest periods are long enough for the motor to reach ambient temperature.
S3
Intermittent periodic duty
Sequential, identical run and rest cycles with constant load. Temperature equilibrium is never reached. Starting current has little effect on temperature rise.
S4
Intermittent periodic duty with starting
Sequential, identical start, run and rest cycles with constant load. Temperature equilibrium is not reached, but starting current affects temperature rise.
S5
Intermittent periodic duty with electric braking
Sequential, identical cycles of starting, running at constant load and running with no load. No rest periods.
S6
Continuous operation with intermittent load
Sequential, identical cycles of running with constant load and running with no load. No rest periods.
S7
Continuous operation with electric braking
Sequential identical cycles of starting, running at constant load and electric braking. No rest periods.
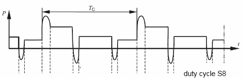
S8
Continuous operation with periodic changes in load and speed
Sequential, identical duty cycles run at constant load and given speed, then run at other constant loads and speeds. No rest periods.
Note: Thermal Equilibrium is the state reached when the temperature rise of the mmotor does not vary by more than 2K per hour. If you don't specify the duty cycle, the manufacturer will likely assume S1.